江浙沪伴游纯出女孩招聘,同城附近线下约会,qq二维码免费叫小妹,上海大圈高端工作室

联系我们

搪玻璃闭式反应釜


  搪玻璃闭式反应釜的安装

  1、搬运:搬运时只允许搪玻璃闭式反应釜的罐耳受力(指非包装时),不允许滚动及用撬杠,避免震动、碰撞,严禁接管管箍、卡子等易损部件受力。

  2、吊装:吊装搪玻璃闭式反应釜时须在规定部位(如夹套接管、罐耳等)挂网丝绳。(罐盖上的吊环只作吊罐盖使用),不能与任何物体相碰,稳吊轻放。

  3、组装前检查:组装前,检查人员应穿洁净软底胶鞋进入容器内检查搪玻璃层有无异常现象。

  4、法兰的安装:在拧紧法兰螺栓时,应按沿对角线成对地逐渐拧紧、用力要均匀,不应一次完全拧紧,避免因受力不匀而造成搪玻璃层破裂而影响使用寿命。

  5、卡子的安装:应先检查卡子是否完整,数量是否符合规定,安装时要保证距均等,松紧适度确保运转安 全及密封可靠。

  6、搅拌器的安装:a、先将搪玻璃闭式反应釜的搅拌器放入罐内(罐底铺设软垫),然后将罐盖吊至预定位置,同时将密封件套入搅拌轴,再将搅拌器提升与减速机输出轴连接,锁紧防松装置。b、调整搅拌轴与密封件的同轴度及垂直度,达到技术规定的要求后使搅拌轴缓慢转动,当运转灵活,无异常现象时,才准再试开启电动机按纽,直至运转正常(此段时间不宜过长)。

  7、衬垫的选择:须根据搪玻璃闭式反应釜的介质的类别、浓度、温度进行选择,衬垫本身的性质和使用方法,应适用于工艺要求,我公司目前供应的衬垫有石棉橡胶、橡胶外包聚四氟乙烯可供用户选择。

  8、施焊:a、严禁在搪玻璃闭式反应釜外壁表面施焊。b、在夹套上焊接接管、罐耳、罐座时,一律使用电焊、并采取冷却措施,不准使用气焊。c、在搪玻璃层临近空间部位施焊时,应将搪玻璃表面、罐口、管口盖严,避免电焊渣飞溅,损坏搪玻璃面。

  搪玻璃闭式反应釜
    搪玻璃闭式反应釜是罐盖与罐体完整闭合的整体,不能分开,适用于釜内压力较高的环境,能避免或减少泄露。由于受到安装尺寸的限制,闭式反应釜中使用的搅拌器就没有开式反应釜使用的搅拌浆大,所以使用单位要正确选择合适的搪玻璃反应釜设备,需要从生产工艺要求、密封要求、检修要求、搅拌型式等多角度选择。
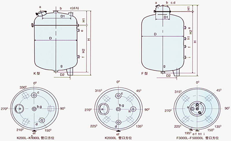
  搪玻璃闭式反应釜结构示意图

  搪玻璃闭式反应釜参数表




tags:搪玻璃闭式反应釜厂家,搪玻璃闭式反应釜价格
点击次数:   更新时间:20/06/30 11:42:06   【打印此页】   【关闭【返回上一页】
联系我们

contact us

淄博鲲鹏防腐设备有限公司

138-0533-5585

联系人:孙总

淄博市张店区南定镇小旦村