Zibo Kunpeng Anticorrosion Equipment Co., Ltd.
聚丙烯立式、卧式贮罐
一、概述
聚丙烯立式、卧式贮罐用于储存液体或气体的钢制密封容器即为储罐,储罐工程是石油、化工、粮油、食品、消防、交通、冶金、国防等行业必不可少的、重要的基础设施。具有无焊接缝、不渗漏、无毒性、重量轻、抗老化、抗冲击、耐腐蚀、寿命长、符合卫生标准等优点,聚丙烯储罐用以存放酸、醇、气体等提炼的化学物质。
二、产品规格 ?
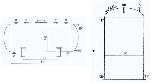
1、卧式系列贮罐示意图表
2、立式贮罐系列图表
RPP系列立式水喷射...
RPP系列卧式水喷射...
SY-731型PP离...
SYP-Ⅰ系列聚丙烯...
SYP-Ⅱ系列聚丙烯...
contact us
淄博鲲鹏防腐设备有限公司
138-0533-5585
联系人:孙总
淄博市张店区南定镇小旦村
淄博鲲鹏防腐设备有限公司主营的衬塑设备,衬四氟设备,衬氟设备产品质量优,厂家型号多,价格实惠,工艺完善
备案号:鲁ICP备20024770号-1